Ticker

6/recent/ticker-posts

Advertisement

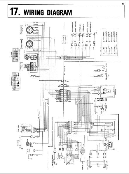
PDF Kubota Wiring Diagram Service Manual

Presently you are looking for an Kubota Wiring Diagram Service Manual example that will we provide here in some kind of document formats like as PDF, Doc, Power Point, as well as images that will will make it simpler for you to create an Kubota Wiring Diagram Service Manual yourself. For a more clear look, you are able to open several examples below. All the good examples about Kubota Wiring Diagram Service Manual on this website, we get from several sources so you could create a better record of your own.

When the search you get here does not complement what you are looking for, please use the lookup feature that we have provided here. You are usually free to download anything that we provide in this article, expense cost you the slightest.

DOWNLOAD HERE

Everybody knows that reading Kubota Wiring Diagram Service Manual is beneficial, because we are able to get a lot of information through the reading materials. Technologies have developed, and reading Kubota Wiring Diagram Service Manual books may be easier and simpler. We can easily read books on the mobile, tablets and Kindle, etc. Hence, there are several books getting into PDF format.

Below are some websites for downloading free PDF books which you could acquire the maximum amount of knowledge as you wish. Today everybody, young and older, should familiarize themselves with the growing eBook industry. Ebooks and eBook viewers provide substantial benefits more than traditional reading. Ebooks reduce down on the use of paper, as recommended by environmental enthusiasts. There are no fixed timings for study. There is no question of waiting-time for new editions. There is no transportation to be able to the eBook shop. The books in a eBook store can be downloaded immediately, sometimes for free, at times for a fee.

Not merely that, the online edition of books are typically less expensive, because publication residences save their print and paper machinery, the rewards of which are given to to customers. Further, the reach of the eBook shop is immense, permitting a person living in Quotes to source out to be able to a publication house in Chicago. The newest craze in the online eBook world is actually are called eBook libraries, or eBook packages. An eBook package deal is something out of the ordinary. That consists of a big number of ebooks included together that are not necessarily easily available at one individual place. So instead regarding hunting down and buying, say 100 literary timeless classics, you can buy an eBook package deal which contains all these kinds of ebooks bundled together. These types of eBook libraries typically offer a substantial savings, and are usually offered in a number of formats to suit your brand of eBook reader. Large companies, such since Amazon or Barnes as well as Noble, tend to not necessarily carry these eBook your local library. If you want to be able to purchase one of these your local library, you will have to be able to find independent eBook stores. These independent eBook stores typically package the eBook libraries by genre, and have a lot of genres.